济南吊装带卧式拉力试验机:产品概述及功能特点
产品介绍
吊装带卧式拉力试验机采用机架整体钢板焊接框架结构,单出杆双作用活塞缸施加试验力,圆柱销插装试样,负荷传感器测力,具有效率高、寿命长、噪音低、免维护的优点。适用于吊装带、绳索、钢丝绳等试样的拉伸测试,自动求取zui大试验力值、抗拉强度和伸长率等参数,并可随时打印试验报告曲线。
功能特点
1. 关键零部件,采用guo际著名品牌,如松下伺服系统,全铨载荷传感器,内米控光电编码器等。
2. 圆弧齿形同步减速系统,具有效率高、寿命长、噪音低、免维护的优点。采用纯数字的锁相环位置脉冲控制模式,无零飘、无失调。
3. 采用高精度滚珠丝杠加载,加载平稳,试验机的寿命长,长期稳定性好且节能。
4. 多种保护措施。如:功率环节的各种电气保护,软件部分的超载,超位移保护,机械强制安全限位保护等。
5. 简单,可靠,功能强大的用户操作界面。
6. 开放的数据结构,无论是结果参数还是过程数据都允许用户随机调用,对科研与教学非常有利。
7. 用户自编辑报告功能。数据可方便的导入Excel表格,方便用户后期处理。
整体方案简述
1.主机系统(如图):
主机部分主要由油缸座、油缸活塞、移动横梁、固定横梁及负荷传感器等部件组成。油缸座、钢板焊接框架、移动横梁和固定横梁形成受力框架,移动横梁和固定横梁上装有拉伸夹具用以夹持试样的两端,单出杆双作用低摩擦活塞缸在液压油的作用下带动移动横梁运动,从而将试验力施加到试样上。固定横梁与受力框架之间采用插销连接,手动调整试验空间。
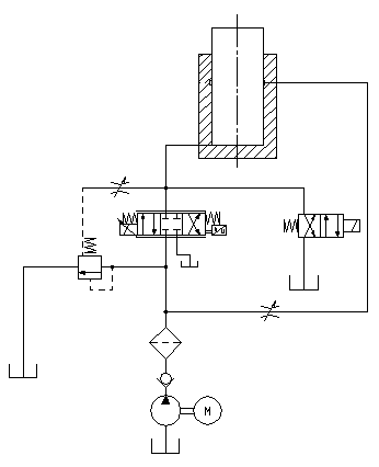
2.油源(液压动力)系统:

油源系统由油泵电机组、油箱(含阀组及配套设施)、管路系统、强电系统四大部分组成。